Jak działa TCM Sensor T 230V AC

TCM Sensor T wyposażony w moduł GSM i kartę SIM automatycznie przesyła dane pomiarowe do panelu online.
Panel zapewnia stały dostęp do wyników i analiz z podłączonych czujników, umożliwiając monitorowanie warunków w czasie rzeczywistym.

Zobacz, co zyskasz

W zestawie znajdziesz

Specyfikacja techniczna

ParametrWartość
Napięcie zasilania100-240 V AC 50 Hz
Maksymalny pobór prądu30mA
KomunikacjaGSM
Temperatura pracyod -5 °C do +50 °C
Maksymalna liczba czujnikówdo 5
Maksymalna długość magistralido 60 m
Zakres pomiarowyod -55 °C do 100 °C
Rozdzielczość0,1 °C
Dokładność±0,5 °C od -10 °C do 85 °C
Wymiary105 × 176 × 83 mm
Stopień ochrony IPIP 54

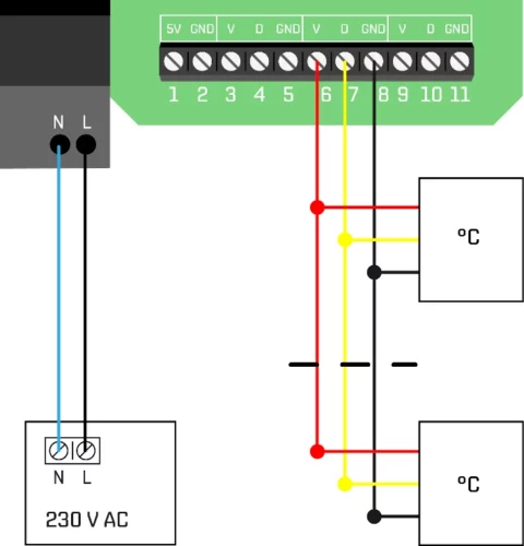
Schemat podłączenia

Oszczędność na każdym obiekcie